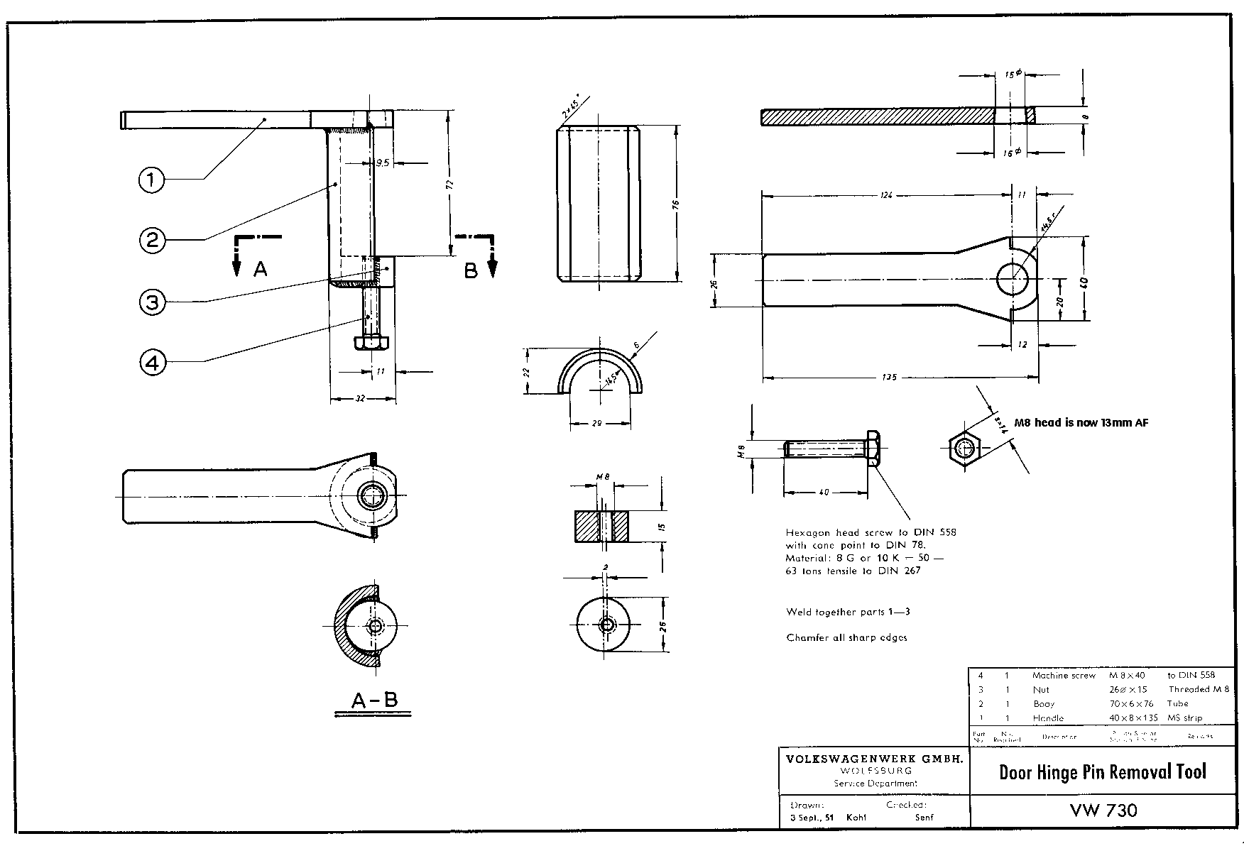
VW Beetle Hinge Pin Removal Tool

Plan:

Hinge-pin drift

Plan:

© VW Motors A-G.