VW1500 Karmann Ghia (from May '64, Chassis no. 0 425 853)
Wiring key below

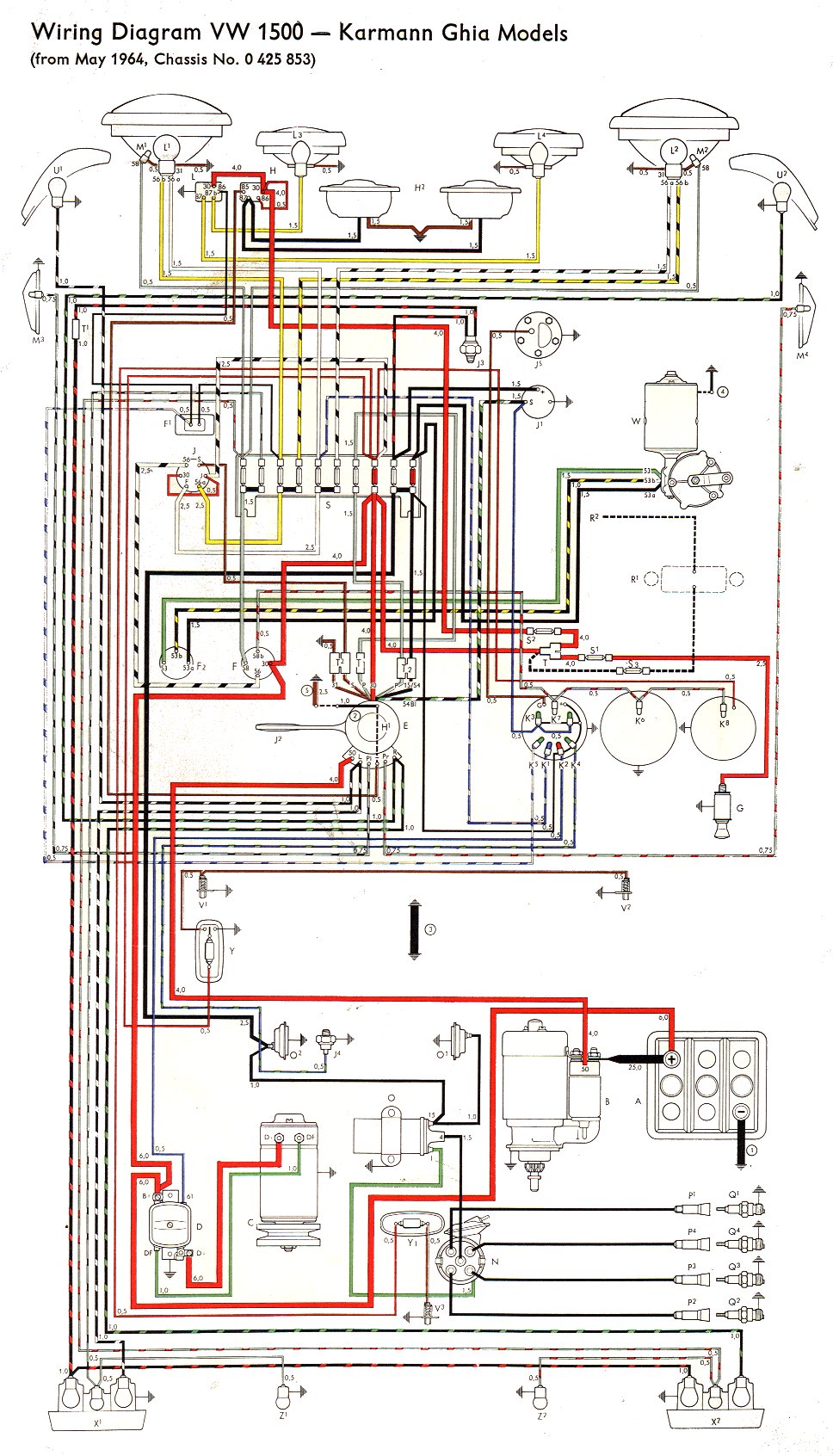
Wiring Key:
| A - Battery B - Starting Motor C - Generator D - Voltage Regulator E - Turn Indicator Switch with Steering Lock F - Light Switch F2 - Windshield Wiper Switch - Fog Lamp Switch G - Cigar Lighter H - Twin Horn Relay H1 - Horn Lever H2 - Twin Horns - Headlight Flasher Relay J1 - Flasher Unit J2 - Headlight Flasher Switch J3 - Stop Light Switch J4 - Oil Pressure Switch J5 - Fuel Gauge Sender Unit K1 - High Beam Warning Light K2 - Generator Control Light K3 - Turn Indicator Control Light K4 - Oil Pressure Warning Light K5 - Parking Light Control Light K6 - Speedometer Light K7 - Fuel Gauge Light K8 - Clock Light |
L - Fog Lamp Relay L1 - Bifilament Bulb for Headlight, left L2 - Bifilament Bulb for Headlight, right L3 - Fog Lamp Bulb, left L4 - Fog Lamp Bulb, right M1 - Front Parking Light, left M2 - Front Parking Light, right M3 - Side Parking Lamp, left M4 - Side Parking Lamp, right N - Ignition Distributor O - Ignition Coil O1 - Automatic Choke, left O2 - Automatic Choke, right P1 - Spark Plug Connector for Cylinder 1 P2 - Spark Plug Connector for Cylinder 2 P3 - Spark Plug Connector for Cylinder 3 P4 - Spark Plug Connector for Cylinder 4 Q1 - Spark Plug for Cylinder 1 Q2 - Spark Plug for Cylinder 2 Q3 - Spark Plug for Cylinder 3 Q4 - Spark Plug for Cylinder 4 R1 - Radio R2 - Antenna S - Fuse Box (ten fuses) S1 - Fuse for Cigar Lighter S2 - Fuse for Fog Lamps and Twin Horns |
T - Cable Adaptor T1 - Connector, single T3 - Connector, triple U1 - Front Turn Indicator Light, left U2 - Front Turn Indicator Light, right V1 - Door Contoct Switch, left V2 - Door Contact Switch, right V3 - Luggage Compartment Light Switch W - Windshield Wiper Motor X1 - Tail Light, left X2 - Tail Light, right Y - Interior Light Y - Luggage Compartment Light Z1 - License Plate Light, left Z2 - License Plate Light, right 1 - Battery Ground Strap 2 - Ground Strap from Horn Ring to Column Coupling 3 - Ground Strap from Transmission to Frame 4 - Ground Strop from Windshield Wiper Motor to Body 5 - Ground Strap from Front Axle to Frame Black dotted line = Service Installation |
© VW Type 3 & 4 Club; 1998 - 2019