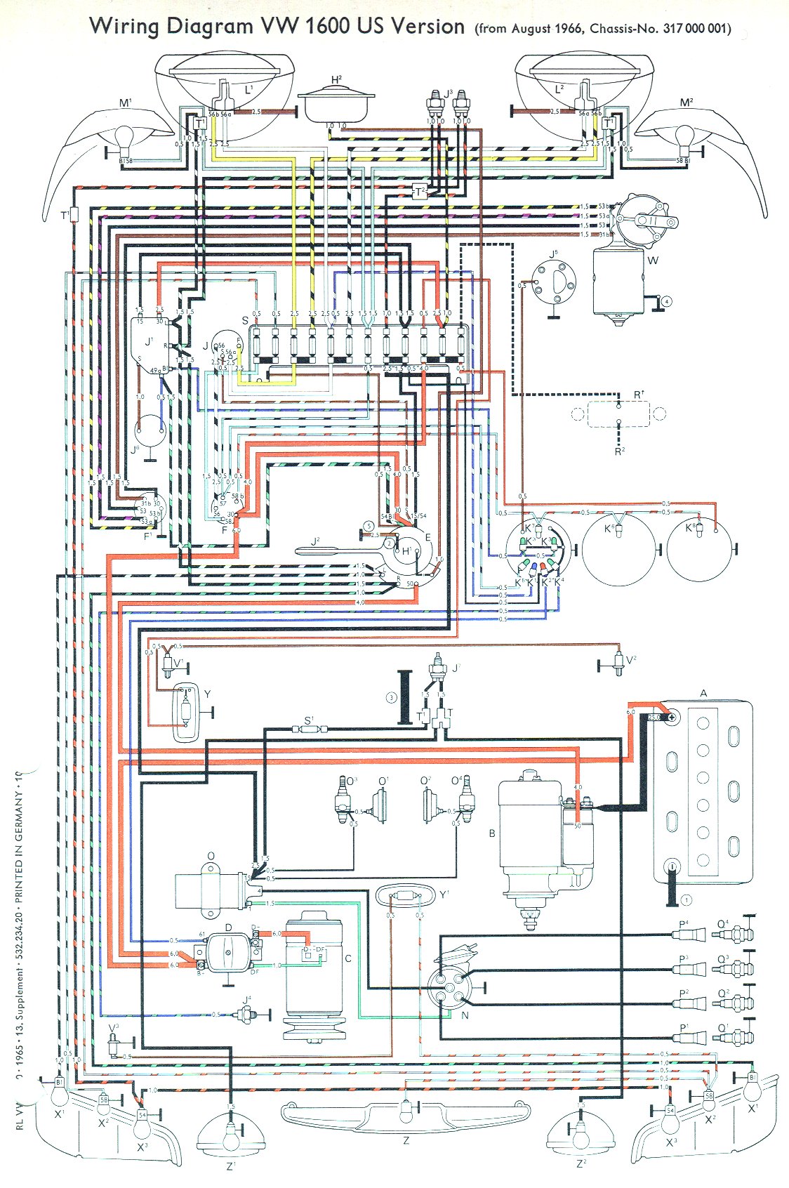
VW1600 US version 1967 (from Aug '66, Chassis no. 317 000 001)
Wiring key below

Key: VW Type 3 1600 from Aug 1966, chassis 317 000 001 ; US model.
| A - Battery B - Starter C - Generator D - Regulator E - Turn signal switch with ignition/starter lock F - Lighting switch F1 - Windshield wiper switch H1 - Horn half ring H2 - Horn J - Hand dimmer relay J1 - Turn signal emergency light relay J2 - Hand dimmer switch J3 - Brake light switch J4 - Oil pressure switch J5 - Fuel gauge sender unit J6 - Emergency light switch J7 - Back up light switch K1 - High beam warning lamp K2 - Generator warning lamp K3 - Turn signal warning lamp K4 - Oil pressure warning lamp K5 - Parking light warning lamp K6 - Speedometer light K7 - Fuel gauge light K8 - Clock light L1 - Sealed beam insert, left L2 - Sealed beam insert, right |
M1 - Parking light and turn signal light, left M2 - Parking light and turn signal light, right N - Distributor O - Ignition coil O1 - Automatic choke, left O2 - Automatic choke, right O3 - Electra-magnetic pilot jet, left O4 - Electra-magnetic pilot jet, right P1 - Spark plug connector, No. 1 cylinder P2 - Spark plug connector, No. 2 cylinder P3 - Spark plug connector, No. 3 cylinder P4 - Spark plug connector, No. 4 cylinder Q1 - Spark plug for No. 1 cylinder Q2 - Spark plug for No. 2 cylinder Q3 - Spark plug for No. 3 cylinder Q4 - Spark plug for No. 4 cylinder R1 - Radio R2 - Aerial connection S - Fuse box S1 - Back up light fuse |
T1 - Cable connector, single T2 - Cable connector, double V1 - Door switch, left V2 - Door switch, right V3 - Luggage compartment light switch W - Windshield wiper motor X1 - Turn signal lights X2 - Tail lights X3 - Brake lights Y - Interior light Y1 - Luggage comportment light Z - License plate light Z1 - Back up light, left Z2 - Back up light, right Earth connections: 1 - Battery to frame ground strap 2 - Horn half ring to steering coupling ground connection 3 - Transmission to frame ground connection 4 - Windshield wiper motor to body ground strap 5 - Front axle to frame ground strap Black dotted lines = Optional extras 1.5; 0.5 etc.: Cable cross section |
Back to Select Wiring Diagrams page
© VW Type 3 & 4 Club; 1998 - 2019