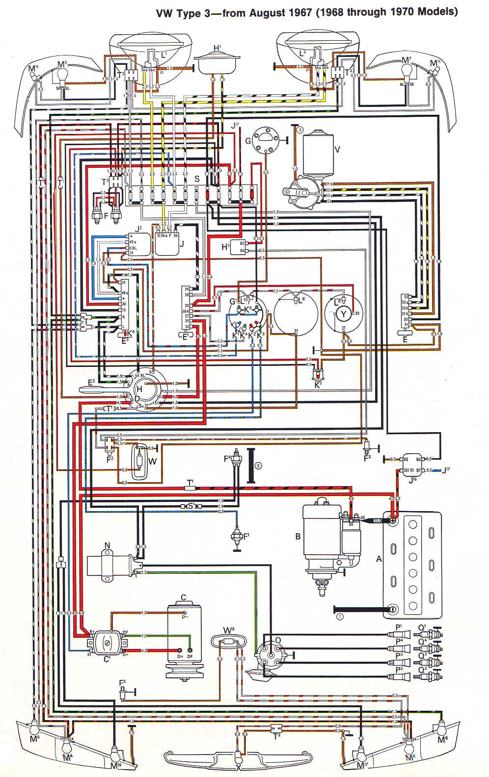
VW Type 3 1600 US version 1968-70 (from Aug '68, Chassis no. 318 000 001)
Wiring key below

| A Battery B Starter C Generator C1 Regulator D Ignition I starter switch E Windshield wiper switch E1 Light switch E2 Turn signal and head light dimmer switch E3 Emergency flasher switch F Brake light switch F1 Oil pressure switch F2 Door contact switch, left, with contact for buzzer F3 Door contact switch, right F4 Back-up light switch F5 Luggage compartment light switch G Fuel gauge sending unit G1 Fuel gauge H - Horn button H1 Horn H5 Ignition key warning buzzer J Dimmer relay J2 Emergency flasher relay J16 Power supply relay for fuel injection system J17 To fuel pump relay K1 High beam warning light K2 Generator charging warning light K3 Oil pressure warning light K4 Parking light warning light K5 Turn signal warning lights K6 Hazard warning light warning light K7 Dual circuit brake system warning light L1 Sealed beam unit, left L2 Sealed beam unit, right L6 Speedometer light L8 Clock light L10 Instrument panel light |
M2 Tail and brake light,, right M4 Tail and brake light, left M5 Turn signal and parking light, front, left M6 Turn signal, rear, left M7 Turn signal and parking light, front, right M8 Turn signal, rear, right M11 Side marker light, front M16 Back-up light, left M17 Back-up light, right N Ignition coil O Distributor P1 Spark plug connector, No. 1 cylinder P2 Spark plug connector, No. 2 cylinder P3 Spark plug connector, No. 3 cylinder P4 Spark plug connector, No. 4 cylinder Q1 Spark plug, No. 1 cylinder Q2 Spark plug, No. 2 cylinder Q3 Spark plug, No. 3 cylinder Q4 Spark plug, No. 4 cylinder S Fuse box S1 Back-up light in-line fuse T Cable adapter T1 Cable connector, single T2 Cable connector, double T3 Cable connector, triple V Windshield wiper motor W Interior light W3 Luggage compartment light X License plate light
1 Battery to frame ground strap |
Back to Select Wiring Diagrams page
© VW Type 3 & 4 Club; 1998 - 2019