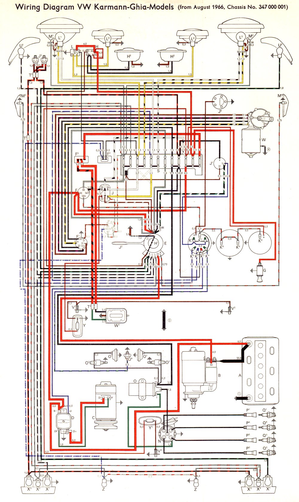
VW1600 Karmann-Ghia (from Aug '66, Chassis no. 347 000 001)
Wiring key below

Wiring Key:
| A - Battery B - Starter C - Generator D - Regulator E - Turn signal switch with steering/ignition lock F - Lighting switch F1 - Windshield wiper switch F2 - Fog light switch F3 - Sun roof switch G - Cigar lighter H - Twin tone horn relay H1 - Horn lever H2 - Twin tone horn J - Hand dimmer relay J1 - Turn signal relay J2 - Headlamp flasher button J3 - Brake light switch J4 - Oil pressure switch J5 - Fuel gauge sender unit J6 - License plate light relay (Austria only) K1 - High beam warning lamp K2 - Generator warning lamp K3 - Turn signal warning lamp K4 - Oil pressure warning lamp K5 - Parking light warning lamp K6 - Speedometer light K7 - Fuel gauge light K8 - Clock light |
L - Fog light relay L1 - Twin filament bulb for headlight, left L2 - Twin filament bulb for headlight, right L3 - Fog light bulb, left L4 - Fog light bulb, right M1 - Parking light, left M2 - Parking light, right M3 - Side parking light, left M4 - Side parking light, right N - Distributor O - Ignition coil O1 - Automatic chokes O2 - Electro-magnetic pilot jets P1 - Spark plug connector, No. 1 cylinder P2 - Spark plug connector, No. 2 cylinder P3 - Spark plug connector, No. 3 cylinder P4 - Spark plug connector, No. 4 cylinder Q1 - Spark plug for No. 1 cylinder Q2 - Spark plug for No. 2 cylinder Q3 - Spark plug for No. 3 cylinder Q4 - Spark plug for No. 4 cylinder R1 - Radio R2 - Aerial connection S - Fuse box - 10 fuses S1 - Cigar lighter fuse S2 - Fog light and twin tone horn fuse |
T - Cable adapter T1 - Cable connector, single T2 - Cable connector, double U1 - Turn signal, front left U2 - Turn signal, front right V1 - Door switch, left V2 - Door switch, right V3 - Luggage compartment light switch W - Windshield wiper motor W1 - Sun roof motor X1 - Turn signal lights, rear X2 - Tail lights X3 - Brake lights Y - Interior light Y1 - Luggage compartment light Z - License plate light
1.5; 0.5 etc.: Cable cross section |
Back to Select Wiring Diagrams page
© VW Type 3 & 4 Club; 1998 - 2019