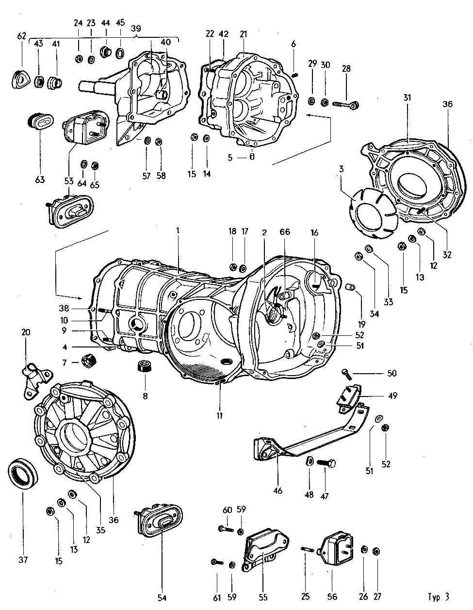
Transmission case