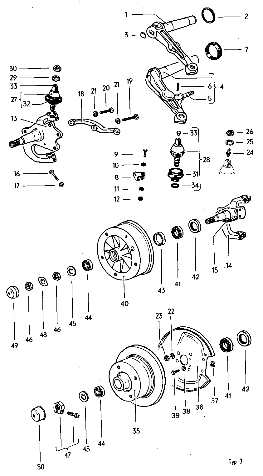
Front Axle, Steering