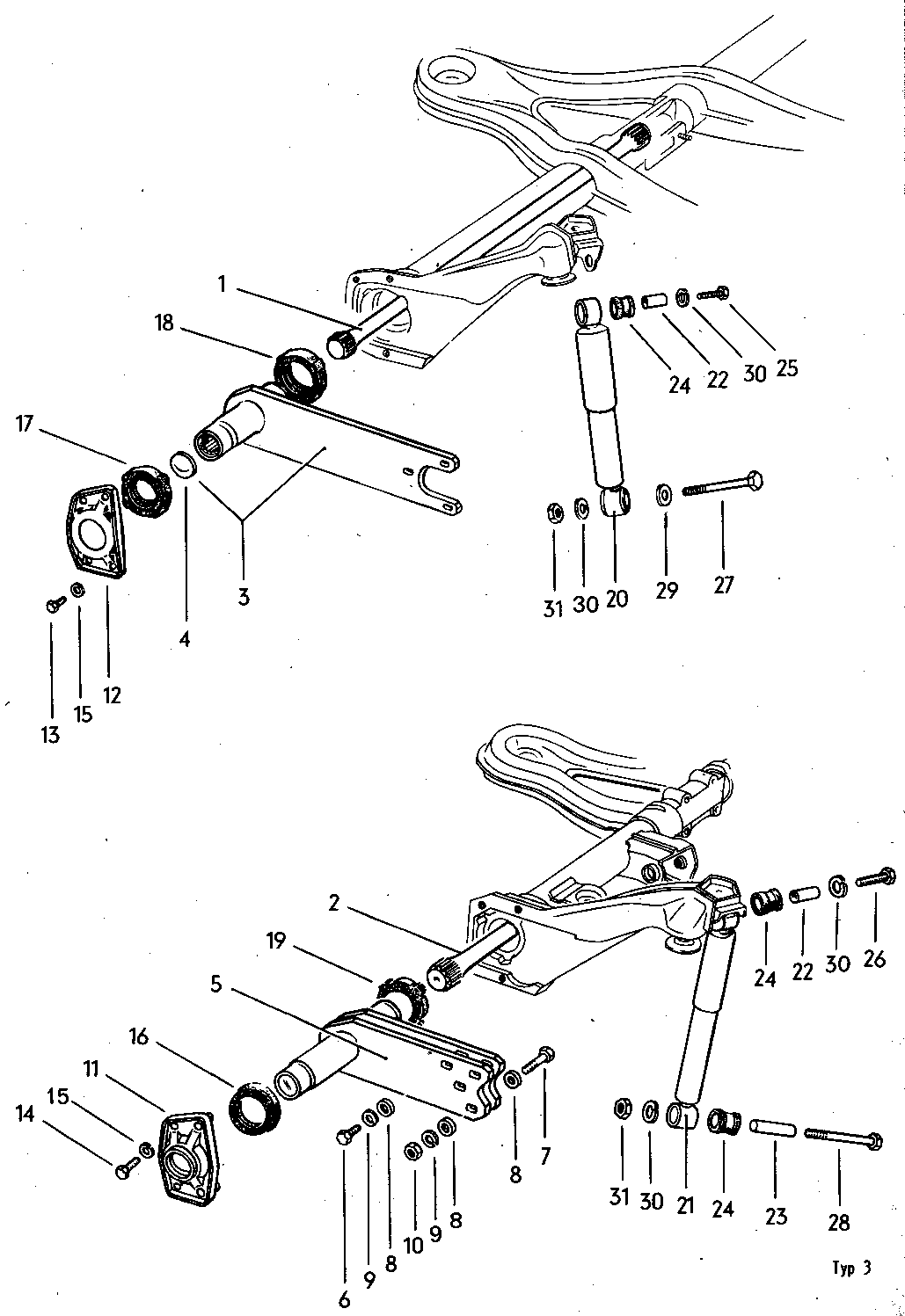
Rear suspension and Shock absorbers